![]()
Zuerst einmal die Frage – was bedeutet eigentlich „Arcade“? In Wikipedia findet man dazu folgendes:
Arcade-Spiel ist eine Bezeichnung für Videospiele, die seit den 1970er Jahren in öffentlichen Spielhäusern in den USA, so genannten Penny Arcades, bzw. in Europa in Spielhallen kostenpflichtig angeboten werden. In den frühen 1980er Jahren wurden Arcade-Automaten in Deutschland außer in Spielhallen auch in vielen Imbissbuden, Kiosken und Supermarktvorräumen aufgestellt, bis dies gesetzlich verboten wurde. An Arcade-Automaten kann der Nutzer gegen Geldeinwurf spielen. Der Spielpreis betrug in Deutschland in der Regel eine D-Mark, während er im Ausland meist geringer war. Erfolgreiche Spiele wurden später häufig für den PC sowie für verschiedene Videospielkonsolen umgesetzt. (wikipedia)
Aber das erklärt mir noch nicht warum dafür das Wort „Arcade“ verwendet wird. Als Begriffserklärung für „Arcade“ oder „Arkade“ ist zu finden: die Arkade – der Säulengang oder „eine Arkade ist eine Abfolge von Bögen, von denen jeder gegen den nächsten stößt und der von Säulen oder Pfeilern oder einem überdachten Gang getragen wird.“ Darin würde sich für mich eher der Sinn der Wortwahl ergeben, da die Spielautomaten in den Hallen dicht an dicht aufgestellt wurden und so das Bild eines Ganges ergeben – und so nannte man dann die Spielautomaten einfach Arcade-Automaten… so meine Idee. Wenn jemand die Herkunft genauer oder richtig erklären kann – bitte darum.
Nun aber zu meinem kleinen Projekt. Mein Kollege hat einen alten Scheunenfund – einen Arcade Spielautomaten – mit der Jamma – Spielplatine „COMBAT SCHOOL“ bei Räumungsarbeiten gefunden und vorbeigebracht. JAMMA (Japan Amusement Machinery Manufacturers Association) bezeichnet auch eine 56-polige Schnittstelle, die das Automatenkabinett mit der Spielplatine verbindet. Bevor mit der technischen Inspektion begonnen werden konnte, musste einmal reichlich Schmutz entfernt werden. Nach einigem Staubsaugen und Wischen im Inneren des Kabinetts kam die Elektronik wieder zum Vorschein. Augenscheinlich sah auch alles sehr vollständig aus. Die Bildröhre war auch nicht gebrochen und es fehlten keine Kabel und es war auch nichts abgeschnitten worden. Also wurde die Kiste mutig ans Netz gesteckt und der Hauptschalter betätigt. Ich erwartete alles, vom Knall und Rauch, bis hin zum Zischen der überspringenden Anodenhochspannung der Bildröhre. Doch es verhielt sich ziemlich normal. Der Entmagnetisierungsvorgang der Röhre war kurz zu hören und wenige Augenblicke später war am Monitor ein komplett farbfleckiges, verzerrtes Bild zu sehen. Mit etwas Fantasie konnte man den Schriftzug „Combat School“ erkennen. Und das Erfreuliche daran – trotz dass der Automat einige Minuten eingeschaltet ist, blieb der Zustand stabil. Es gab keine Rauchzeichen, noch irgendwelche Gerüche oder andere Veränderungen. Ausgenommen der modrige Geruch, alter in Kellern gelagerter Geräte. Also alles in allem, ein Projekt mit Erfolgsaussicht. Die folgende Aufzählung zeigt die Schritte, in denen ich die Reparatur bzw. Restaurierung durchführen möchte bzw. auch durchgeführt habe:
(1) … Gerät reinigen und auf Vollständigkeit prüfen
(2) … kurzer Funktionstest
(3) … Monitor reparieren
(4) … kurzer Funktionstest um die Spielplatine zu testen
(5) … parallel zur Spielplatine einen auf Raspberry PI basierenden Emulator einbauen. Der Emulator soll über ein kleine Jamma Platine wahlweise an das Kabinett angeschlossen werden können.
(5.1) … Jamma Steckerplatine Ätzen
(5.2) … RGB Videoplatine für Raspberry PI zeichnen und ätzen (auf Basis eines R2R Widerstandsnetzwerkes zur D-A-Wandlung)
(5.3) … Raspberry Pi auf Trägerplatte montieren, mit Audioverstärker und Joystickinterface ausstatten und ein geeignetes Emulator-Image installieren
(6.0) … Funktionstest mit dem Raspberry PI Emulator
Zur originalen Spieleplatine vorab: Diese funktioniert nur teilweise. Es wurden einige Sprites nicht korrekt dargestellt. Die Fehlersuche und Reparatur des „Gatterfriedhofs“ habe ich bisher noch nicht durchgeführt. Der Schwerpunkt der Restauration lag vorerst auf der Raspberry Emulator Plattform, die anstelle der Originalplatine das Kabinett versorgen soll.

Im ersten Schritt wurde der Monitor, bzw. die Monitorplatine repariert. Hier waren in erster Linie im Bereich der Kissenentzerrung ein paar kleine Fehler durch defekte Kondensatoren und eine thermisch ausgelötete (kalte Lötstelle) Induktivität das Problem der fehlerhaften Bildgeometrie. Nach einer gründlichen Reinigung, und einem neu justieren der Bildgeometrie mit einem Bildmustergenerator konnte das Board dann wieder an seinen Platz.

Ein weiteres Problem war die Bildröhre. Sie wies in den Ecken eine Falschfarbendarstellung auf. So wurde eine rote Farbfläche teilweise violett dargestellt. Dieser Effekt ist auf ein Problem mit der, in der Röhre vorhandenen Lochmaske zurückzuführen. Diese wurde entweder lange Zeit stark magnetisiert, oder noch schlimmer, durch eine raue Handhabe des Gerätes verbogen. Jedenfalls treffen die Elektronenstrahlen nicht an jeder Position auf die vorgesehene Leuchtschicht. Dieses Problem konnte ich zum größten Teil durch Entmagnetisieren mit einem mit Wechselstrom betriebenen Elektromagneten realisieren. (Ähnlich, wie es auch die ohnehin vorhandene Degausspule an der Röhre nach dem Einschaltvorgang macht – nur gezielter und wesentlich stärker)
Nachdem der Monitor wieder seinen Dienst verrichtet, ging es an den Bau eines Jamma – Steckverbinders. Dazu übernahm ich einfach die Abmessungen des originalen Steckverbinders in das Layout Tool und zeichnete ein neue Steckerplatine.


Jetzt ging es daran, auf einer kleinen, ca. 20 x 25cm großen Trägerplatte die Komponenten für die neue Hardware aufzubauen. Das Herzstück ist der viel geliebte Raspberry Pi 3, den ich mit Abstandhaltern auf der Platte befestigte. Für die Eingabe, also alle Joysticks, Buttons, Münzzähler etc. kamen fertige USB-Joystickplatinen zum Einsatz. Diese wurden ebenfalls auf der Platte montiert.

Erweitert wurde das Arrangement um einen Audioverstärker, der ebenfalls auf der Platte seinen Platz fand. Alle Leitungen zum und vom Raspberry bzw. auch zu den Joystickinterfaces führen zur Jamma Steckerplatine. Diese wird dann einfach anstelle der originalen Platine angesteckt und der Automat soll dann zur Schonung der alten Hardware mit dem Raspberry Image laufen.

Das Bild oben zeigt das Raspberry Board montiert neben der alten Spieleplatine. Die Joysticks sind bereits auch alle funktionstüchtig. Hier ist nur zu erwähnen, dass die originalen Joys und Buttons high-aktiv sind und das USB-Joystickboard low-aktiv. (oder war es umgekehrt?) Dieses Problem ließ sich einfach mit einem Potentialumschalter der Summenleitung der Bedienkonsole des Kabinetts lösen…
Was jetzt noch fehlt, ist die Videoausgabe des Raspberry auf dem originalen 50Hz Röhrenmonitor. Dies könnte man mit einem HDMI – CVBS Converter und einem CVBS – RGB Komponentenkonverter lösen. Aber es ist doch viel cooler, die Möglichkeiten des Raspberry zu nutzen.


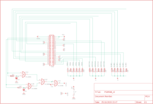
Hierzu habe ich eine kleine Platine gebastelt, die über ein R2R Netzwerk aus fünf Widerständen je R G B Kanal aus den Raspberry GPIOs die analoge Ansteuerung des Monitors erzeugt.
Infos und Anregungen dazu findet man auch auf GitHub unter vga666. Um den Raspberry zu motivieren, den HDMI Ausgang abzuschalten um über die GPIOs das Videosignal zu senden, muss lediglich die config.txt im root Verzeichnis der SD-Karte angepasst werden.
Das „Hineinhorchen“ mit der Osziprobe in einen der drei Kanäle zeigt ein sauberes Sync- und Videosignal. Also die drei Ausgänge und die Synchronisation über Elkos entkoppelt und über den Jamma Stecker an den originalen alten Monitor geschaltet:
Das Ergebnis ist doch ganz zufriedenstellend… Jetzt ist nur mehr der Fehler an der originalen Platine zu beheben und einige kleinere Schönheitsarbeiten am Holzgehäuse des Kabinetts durchzuführen. Aber das ist eine andere Geschichte…








